In order to tow a trailer with your vehicle, have a trailer towing device that meets all relevant regulations in your area, mounted at an authorised MITSUBISHI dealer.
The regulations concerning the towing of a trailer may differ from country to country. You are advised to obey the regulations in each area.
CAUTION:
● Danger of Accident! A towing bar should be fitted by an authorised MITSUBISHI dealer.
Maximum towable weight with brake and maximum trailer-nose weight
Never exceed the maximum towable weight with brake and the maximum trailer-nose weight as listed in the specifications (refer to page 9-7).
If you tow a trailer at an altitude of more than 1,000 m (600 miles) above sea-level, reduce your weight by 10% of the gross combination weight for every increase of 1,000 m (600 miles) above sea-level, as the engine output is lowered owing to decrease in atmospheric pressure.
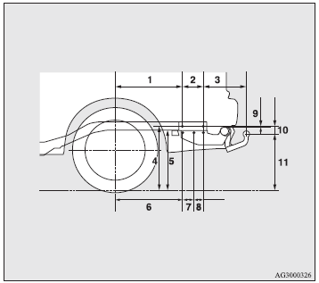
Towing bar mounting specifications

See the following table for fixing points (A) for the towing bar.


NOTE:
● The values under item 11 can be varied depending on the loading condition of cargo or luggage.
Operating hints
● To prevent the clutch from slipping, do not rev the engine more than is required when starting off.
● Be sure that the driving speed does not exceed the 100 km/h (62 mph) for trailer operation. It is also recommended that you obey the local regulations in case driving speed with a trailer is limited to less than 100 km/h (62 mph).
● To prevent shocks from the overrun brake, depress the brake pedal lightly at first and then more strongly.
● To make full use of engine braking, change to a lower gear before descending a slope.
Ventilators
Automatic air conditioning
Fender, Splash Shield, Fuel Filler Lid, Strut Tower Bar
Power Steering Hoses