Mitsubishi Outlander: DTC B1B1A, B1B1B, B1B20, B1B21, B1B22, B1B23
			
			
			DTC B1B1A: Curtain Air Bag Module (LH) (Squib) System (Squib Circuit 
Open)
Curtain Air Bag Module (Squib) (LH) Circuit


CAUTION
If DTC B1B1A is set in the SRS-ECU, always diagnose
the CAN main bus line.
CIRCUIT OPERATION
	- The SRS-ECU judges how severe a collision is
	by detecting signals from the side impact sensors
	installed on the lower side of the center pillar and
	at the quarter panel inner. If the impact is over a
	predetermined level, the SRS-ECU sends an
	ignition signal. At this time, if the side collision
	safing G-sensor is on, the SRS air bag will inflate.
The ignition signal is input to the curtain air bag
module (LH) to inflate the curtain air bag.
DTC SET CONDITIONS
This DTC is set if there is abnormal resistance
between the input terminals of the curtain air bag
module (LH) (squib).
TROUBLESHOOTING HITS
	- Open circuit in the curtain air bag module (LH)
	(squib) circuit
- Improper connector contact
- Malfunction of the SRS-ECU
DIAGNOSIS
Required Special Tools:
	- MB991958: Scan Tool (M.U.T.-III Sub Assembly)
		- MB991824: Vehicle Communication Interface (V.C.I.)
- MB991827: M.U.T.-III USB Cable
- MB991910: M.U.T.-III Main Harness A (Vehicles with
		CAN Communication System)
 
- MB991865: Dummy resistor
- MB991866: Resister harness
- MB991884: Resister harness
STEP 1. Using scan tool MB991958, diagnose the CAN bus
line.
CAUTION
To prevent damage to scan tool MB991958, always turn the
ignition switch to the "LOCK" (OFF) position before connecting
or disconnecting scan tool MB991958.

	- Connect scan tool MB991958. Refer to "How to connect the
	scan tool".
- Turn the ignition switch to the "ON" position.
- Diagnose the CAN bus line.
- Turn the ignition switch to the "LOCK" (OFF) position.
Q: Is the CAN bus line found to be normal?
YES : Go to Step 2.
NO : Repair the CAN bus line.
STEP 2. Recheck for diagnostic trouble code.
Check again if the DTC is set.

	- Erase the DTC.
- Turn the ignition switch to "ON" position.
- Check if the DTC is set.
- Turn the ignition switch to the "LOCK" (OFF) position.
Q: Is the DTC set?
YES : Go to Step 3.
NO : There is an intermittent malfunction such as poor
engaged connector(s) or open circuit (Refer to
GROUP 00, How to Use Troubleshooting/Inspection
Service Points − How to Cope with Intermittent
Malfunctions).
STEP 3. Check by dummy resistor connection. (Using scan
tool MB991958, read the diagnostic trouble code.)

	- Disconnect the negative battery terminal.
- Disconnect the D-13 intermediate connector, unlock the
	connector by sliding the locking button to the direction of the
	arrow as shown in the figure, and then disconnect the
	connector.

	- Connect special tool MB991865 to special tool MB991866.
CAUTION
Do not insert a probe into the terminal from its front side
directly, as the connector contact pressure may be weakened.
	- Insert the probe of resistor harness, to which the dummy
	resistor is installed, from the back of D-13 intermediate
	connector (floor harness side).
- Connect the negative battery terminal.
- After erasing the diagnostic trouble code memory, check the
	diagnostic trouble code again.
- Disconnect the negative battery terminal.
Q: Is DTC B1B1A set?
YES : Go to Step 4.
NO : Go to Step 5.
STEP 4. Resistance measurement at the C-27 SRS-ECU
connector and the D-13 intermediate connector.

	- Disconnect the negative battery terminal.
- While pushing the part "A" indicated in the figure of the
	harness side connector, turn the lock lever to the direction
	of the arrow to release the lock lever, and disconnect the
	C-27 SRS-ECU connector.

DANGER
To release the SRS-ECU connector short spring in the
following operations, disconnect this intermediate
connector, and keep the squib circuit shorted.
	- Disconnect the D-13 intermediate connector, unlock the
	connector by sliding the locking button to the direction of the
	arrow as shown in the figure, and then disconnect the
	connector.
CAUTION
The short spring may not be released due to the insufficient
insertion. Therefore, insert the insulator for 4 mm (0.6
inch) or more.

	- Insert a cable tie [3 mm (0.12 inch) wide, 0.5 mm (0.02 inch)
	thick] between terminal 41, 42 and the short spring to
	release the short spring.

CAUTION
Do not insert a probe into the terminal from D-13 intermediate
connector front side directly, as the connector contact
pressure may be weakened.
	- Check for continuity between the following terminals. It
	should be less than 2 ohms.
	- SRS-ECU connector C-27 (terminal No.41) and the
	intermediate connector D-13 (terminal No.1)
- SRS-ECU connector C-27 (terminal No.42) and the
	intermediate connector D-13 (terminal No.2)
Q: Does continuity exist?
YES : Go to Step 6.
NO : Repair the wiring harness between the C-27 harness
side connector terminal No. 41, 42 and the D-13
intermediate connector (floor harness side) terminal
No. 1, 2.
STEP 5. Resistance measurement at the D-13 intermediate
connector terminal No. 1, 2 and the D-109 curtain air bag
module harness side connector terminal No. 1, 2.

	- Disconnect the negative battery terminal.
DANGER
To prevent the air bag from deploying unintentionally,
disconnect the curtain air bag module connector
D-109 to short the squib circuit.
	- Disconnect curtain air bag module (LH) D-109. Use a
	flat-tipped screwdriver to unlock the locking button at the
	harness side connector by withdrawing it toward you in two
	stages, and then disconnect the connector.

	- Disconnect the D-13 intermediate connector, unlock the
	connector by sliding the locking button to the direction of the
	arrow as shown in the figure, and then disconnect the
	connector.

	- Because the short spring is installed to the D-13
	intermediate connector (curtain air bag harness side), insert
	a cable tie [3 mm (0.12 inch) wide, 0.5 mm (0.02 inch) thick]
	between terminals 1, 2 and the short spring to release the
	short spring.

	- Connect special tool MB991884 to the removed D-109
	harness side connector.
CAUTION
Do not insert a probe into the terminal from D-13 intermediate
connector front side directly, as the connector contact
pressure may be weakened.

	- Check for continuity between the following terminals. It
	should be less than 2 ohms.
	- Intermediate connector D-13 (terminal No.1) and resistor
	harness connector terminal No.2)
- Intermediate connector D-13 (terminal No.2) and resistor
	harness connector terminal No.1)
Q: Is the check result normal?
YES : Replace the curtain air bag module (squib).
NO : Repair the wiring harness.
STEP 6. Recheck for diagnostic trouble code.
Check again if the DTC is set.

	- Erase the DTC.
- Turn the ignition switch to the "ON" position.
- Check if the DTC is set.
- Turn the ignition switch to the "LOCK" (OFF) position.
Q: Is DTC B1B1A set?
YES : Replace SRS-ECU.
NO : Intermittent Malfunction (Refer to GROUP 00, How to
Use Troubleshooting/Inspection Service Points − How
to Cope with Intermittent Malfunction).
DTC B1B1B: Curtain Air Bag Module (LH) (Squib) System (Short Circuit 
between Squib Circuit
Terminals)
Curtain Air Bag Module (Squib) (LH) Circuit


CAUTION
If DTC B1B1B is set in the SRS-ECU, always diagnose
the CAN main bus line.
CIRCUIT OPERATION
	- The SRS-ECU judges how severe a collision is
	by detecting signals from the side impact sensors
	installed on the lower side of the center pillar and
	at the quarter panel inner. If the impact is over a
	predetermined level, the SRS-ECU sends an
	ignition signal. At this time, if the side collision
	safing G-sensor is on, the SRS air bag will inflate.
- The ignition signal is input to the curtain air bag
	module (LH) to inflate the curtain air bag.
DTC SET CONDITIONS
This DTC is set if there is abnormal resistance
between the input terminals of the curtain air bag
module (LH) (squib).
TROUBLESHOOTING HITS
	- Improper engaged connector or defective short
	spring*
- Short circuit between the curtain air bag module
	(LH) (squib) circuit terminals
- Damaged connector(s)
- Malfunction of the SRS-ECU
NOTE: *: The squib circuit connectors integrate a
"short" spring (which prevents the air bag from
deploying unintentionally due to static electricity by
shorting the positive wire to the ground wire in the
squib circuit when the connectors are disconnected). Therefore, if connector 
C-27,
D-13 or D-109 is damaged or improperly engaged,
the short spring may not be released when the connector
is connected.
DIAGNOSIS
Required Special Tools:
	- MB991958: Scan Tool (M.U.T.-III Sub Assembly)
		- MB991824: Vehicle Communication Interface (V.C.I.)
- MB991827: M.U.T.-III USB Cable
- MB991910: M.U.T.-III Main Harness A (Vehicles with
		CAN Communication System)
 
- MB991865: Dummy resistor
- MB991866: Resister harness
STEP 1. Using scan tool MB991958, diagnose the CAN bus
line.
CAUTION
To prevent damage to scan tool MB991958, always turn the
ignition switch to the "LOCK" (OFF) position before connecting
or disconnecting scan tool MB991958.

	- Connect scan tool MB991958. Refer to "How to connect the
	scan tool".
- Turn the ignition switch to the "ON" position.
- Diagnose the CAN bus line.
- Turn the ignition switch to the "LOCK" (OFF) position.
Q: Is the CAN bus line found to be normal?
YES : Go to Step 2.
NO : Repair the CAN bus line.
STEP 2. Recheck for diagnostic trouble code.
Check again if the DTC is set.

	- Erase the DTC.
- Turn the ignition switch to "ON" position.
- Check if the DTC is set.
- Turn the ignition switch to the "LOCK" (OFF) position.
Q: Is the DTC set?
YES : Go to Step 3.
NO : There is an intermittent malfunction such as poor
engaged connector(s) or open circuit.
STEP 3. Check SRS-ECU connector C-27, curtain air bag
module (LH) connector D-109 and intermediate connector
D-13. (Using scan tool MB991958, read the diagnostic
trouble code.)

	- Disconnect the negative battery terminal.
- While pushing the part "A" indicated in the figure of the
	harness side connector, turn the lock lever to the direction
	of the arrow to release the lock lever, and disconnect the
	C-27 SRS-ECU connector. Then connect the connector.

	- Disconnect the D-109 connectors, and then reconnect it.
	Use a flat-tipped (−) screwdriver to pull out the D-109
	curtain air bag module harness side connector locking
	button toward the arrow direction, release the lock, and
	then disconnect the connector. 

	- Disconnect the D-13 connector's, and then reconnect them.
	Unlock the connector by sliding the locking button to the
	direction of the arrow as shown in the figure, and then
	disconnect the connector. 
- Connect the negative battery terminal.
- After erasing the diagnostic trouble code memory, check the
	diagnostic trouble code again.
- Disconnect the negative battery terminal.
Q: Is DTC B1B1B set?
YES : Go to Step 4.
NO : Intermittent Malfunction.
STEP 4. Check by dummy resistor connection. (Using scan
tool MB991958, read the diagnostic trouble code.)

	- Disconnect the negative battery terminal.
- Disconnect the D-13 intermediate connector, unlock the
	connector by sliding the locking button to the direction of the
	arrow as shown in the figure, and then disconnect the
	connector.

	- Connect special tool MB991865 to special tool MB991866.
CAUTION
Do not insert a probe into the terminal from its front side
directly, as the connector contact pressure may be weakened.
	- Insert the probe of resistor harness, to which the dummy
	resistor is installed, from the back of D-13 intermediate
	connector (floor harness side).
- Connect the negative battery terminal.
- After erasing the diagnostic trouble code memory, check the
	diagnostic trouble code again.
Q: Is DTC B1B1B set?
YES : Go to Step 5.
NO : Go to Step 6.
STEP 5. Resistance measurement at the C-27 SRS-ECU
connector.

	- Disconnect the negative battery terminal.
- While pushing the part "A" indicated in the figure of the
	harness side connector, turn the lock lever to the direction
	of the arrow to release the lock lever, and disconnect the
	C-27 SRS-ECU connector.

DANGER
To prevent the air bag from deploying unintentionally,
disconnect the intermediate connector D-13 to short
the squib circuit.
	- Disconnect the D-13 intermediate connector, unlock the
	connector by sliding the locking button to the direction of the
	arrow as shown in the figure, and then disconnect the
	connector.
CAUTION
The short spring may not be released due to the insufficient
insertion. Therefore, insert the insulator for 4 mm (0.6
inch) or more.

	- Insert a cable tie [3 mm (0.12 inch) wide, 0.5 mm (0.02 inch)
	thick] between terminal 41, 42 and the short spring to
	release the short spring.

	- Check for continuity between the C-27 wiring harness side
	connector terminal No. 41 and No. 42.
	It should be open circuit. 
Q: Is it open circuit?
YES : Go to Step 7.
NO : Repair the wiring harness.
STEP 6. Short circuit check between the D-109 curtain air
bag module harness side connector and the D-13
intermediate harness.

	- Disconnect the negative battery terminal.
DANGER
To prevent the air bag from deploying unintentionally,
disconnect the curtain air bag module connector
D-109 to short the squib circuit.
	- Disconnect curtain air bag module (LH) D-109. Use a
	flat-tipped screwdriver to unlock the locking button at the
	harness side connector by withdrawing it toward you in two
	stages, and then disconnect the connector.

	- Disconnect the D-13 intermediate connector, unlock the
	connector by sliding the locking button to the direction of the
	arrow as shown in the figure, and then disconnect the
	connector.

	- Because the short spring is installed to the D-13
	intermediate connector (curtain air bag harness side), insert
	a cable tie [3 mm (0.12 inch) wide, 0.5 mm (0.02 inch) thick]
	between terminals 1, 2 and the short spring to release the
	short spring.

CAUTION
Do not insert a probe into the terminal from its front side
directly, as the connector contact pressure may be weakened.
	- Check for continuity between the D-13 intermediate
	connector (curtain air bag harness side) terminal No. 1 and
	No. 2.
	It should be open circuit. 
Q: Is it open circuit?
YES : Replace the curtain air bag module (LH). Then go to Step 7.
NO : Repair the wiring harness.
STEP 7. Recheck for diagnostic trouble code.
Check again if the DTC is set.

	- Erase the DTC.
- Turn the ignition switch to the "ON" position.
- Check if the DTC is set.
- Turn the ignition switch to the "LOCK" (OFF) position.
Q: Is DTC B1B1B set?
YES : Replace SRS-ECU. 
NO : Intermittent Malfunction (Refer to GROUP 00, How to
Use Troubleshooting/Inspection Service Points − How
to Cope with Intermittent Malfunction).
DTC B1B20: Curtain Air Bag Module (RH) (Squib) System (Shorted to Squib 
Circuit Ground)
Curtain Air Bag Module (Squib) (RH) Circuit


CAUTION
If DTC B1B20 is set in the SRS-ECU, always diagnose
the CAN main bus line.
CIRCUIT OPERATION
	- The SRS-ECU judges how severe a collision is
	by detecting signals from the side impact sensors
	installed on the lower side of the center pillar and
	at the quarter panel inner. If the impact is over a
	predetermined level, the SRS-ECU sends an
	ignition signal. At this time, if the side collision
	safing G-sensor is on, the SRS air bag will inflate.
- The ignition signal is input to the curtain air bag
	module (RH) to inflate the curtain air bag.
DTC SET CONDITIONS
This DTC is set if there is abnormal resistance
between the input terminals of the curtain air bag
module (RH) (squib).
TROUBLESHOOTING HITS
	- Damaged wiring harnesses or connectors
- Short to the ground in the curtain air bag module
	(RH) (squib) harness
- Malfunction of the SRS-ECU
DIAGNOSIS
Required Special Tools:
	- MB991958: Scan Tool (M.U.T.-III Sub Assembly)
		- MB991824: Vehicle Communication Interface (V.C.I.)
- MB991827: M.U.T.-III USB Cable
- MB991910: M.U.T.-III Main Harness A (Vehicles with
		CAN Communication System)
 
- MB991865: Dummy resistor
- MB991866: Resister harness
STEP 1. Using scan tool MB991958, diagnose the CAN bus
line.
CAUTION
To prevent damage to scan tool MB991958, always turn the
ignition switch to the "LOCK" (OFF) position before connecting
or disconnecting scan tool MB991958.

	- Connect scan tool MB991958. Refer to "How to connect the
	scan tool".
- Turn the ignition switch to the "ON" position.
- Diagnose the CAN bus line.
- Turn the ignition switch to the "LOCK" (OFF) position.
Q: Is the CAN bus line found to be normal?
YES : Go to Step 2.
NO : Repair the CAN bus line.
STEP 2. Recheck for diagnostic trouble code.
Check again if the DTC is set.

	- Erase the DTC.
- Turn the ignition switch to "ON" position.
- Check if the DTC is set.
- Turn the ignition switch to the "LOCK" (OFF) position.
Q: Is the DTC set?
YES : Go to Step 3.
NO : There is an intermittent malfunction such as poor
engaged connector(s) or open circuit (Refer to
GROUP 00, How to Use Troubleshooting/Inspection
Service Points − How to Cope with Intermittent
Malfunctions).
STEP 3. Check by dummy resistor connection. (Using scan
tool MB991958, read the diagnostic trouble code.)

	- Disconnect the negative battery terminal.
- Disconnect the D-08 intermediate connector, unlock the
	connector by sliding the locking button to the direction of the
	arrow as shown in the figure, and then disconnect the
	connector.

	- Connect special tool MB991865 to special tool MB991866.
CAUTION
Do not insert a probe into the terminal from its front side
directly, as the connector contact pressure may be weakened.
	- Insert the probe of resistor harness, to which the dummy
	resistor is installed, from the back of D-08 intermediate
	connector (floor harness side).
- Connect the negative battery terminal.
- After erasing the diagnostic trouble code memory, check the
	diagnostic trouble code again.
- Disconnect the negative battery terminal.
Q: Is DTC B1B20 set?
YES : Go to Step 4.
NO : Go to Step 5.
STEP 4. Resistance measurement at the C-27 SRS-ECU
connector

	- Disconnect the negative battery terminal.
- While pushing the part "A" indicated in the figure of the
	harness side connector, turn the lock lever to the direction
	of the arrow to release the lock lever, and disconnect the
	C-27 SRS-ECU connector.

DANGER
To prevent the air bag from deploying unintentionally,
disconnect the intermediate connector D-08 to short
the squib circuit.
	- Disconnect the D-08 intermediate connector, unlock the
	connector by sliding the locking button to the direction of the
	arrow as shown in the figure, and then disconnect the
	connector.

CAUTION
The short spring may not be released due to the insufficient
insertion. Therefore, insert the insulator for 4 mm (0.6
inch) or more.
	- Insert a cable tie [3 mm (0.12 inch) wide, 0.5 mm (0.02 inch)
	thick] between terminal 39, 40 and the short spring to
	release the short spring.

	- Check for continuity between C-27 wiring harness side
	connector terminal No. 39, 40 and body ground.
	It should be open circuit. 
Q: Is it open circuit?
YES : Go to Step 6.
NO : Repair the wiring harness.
STEP 5. Resistance measurement at the D-08 intermediate
connector.

	- Disconnect the negative battery terminal.
DANGER
To prevent the air bag from deploying unintentionally,
disconnect the curtain air bag module connector
D-104 to short the squib circuit.
	- Disconnect curtain air bag module (RH) D-104. Use a
	flat-tipped screwdriver to unlock the locking button at the
	harness side connector by withdrawing it toward you in two
	stages, and then disconnect the connector.

	- Disconnect the D-08 intermediate connector, unlock the
	connector by sliding the locking button to the direction of the
	arrow as shown in the figure, and then disconnect the
	connector.

	- Because the short spring is installed to the D-08
	intermediate connector (curtain air bag harness side), insert
	a cable tie [3 mm (0.12 inch) wide, 0.5 mm (0.02 inch) thick]
	between terminals 1, 2 and the short spring to release the
	short spring.

CAUTION
Do not insert a probe into the terminal from its front side
directly as the connector contact pressure may be weakened.
	- Check for continuity between the D-08 intermediate
	connector (module side) terminal No. 1, 2 and the body
	ground.
	It should be open circuit. 
Q: Is it open circuit?
YES : Replace the curtain air bag module (squib).
NO : Repair the wiring harness.
STEP 6. Recheck for diagnostic trouble code.
Check again if the DTC is set.

	- Erase the DTC.
- Turn the ignition switch to the "ON" position.
- Check if the DTC is set.
- Turn the ignition switch to the "LOCK" (OFF) position.
Q: Is DTC B1B20 set?
YES : Replace SRS-ECU. 
NO : Intermittent Malfunction (Refer to GROUP 00, How to
Use Troubleshooting/Inspection Service Points − How
to Cope with Intermittent Malfunction).
DTC B1B21: Curtain Air Bag Module (RH) (Squib) System (Shorted to Squib 
Circuit Power Supply)
Curtain Air Bag Module (Squib) (RH) Circuit


CAUTION
If DTC B1B21 is set in the SRS-ECU, always diagnose
the CAN main bus line.
CIRCUIT OPERATION
	- The SRS-ECU judges how severe a collision is
	by detecting signals from the side impact sensors
	installed on the lower side of the center pillar and
	at the quarter panel inner. If the impact is over a
	predetermined level, the SRS-ECU sends an
	ignition signal. At this time, if the side collision
	safing G-sensor is on, the SRS air bag will inflate.
- The ignition signal is input to the curtain air bag
	module (RH) to inflate the curtain air bag.
DTC SET CONDITIONS
This DTC is set if there is abnormal resistance
between the input terminals of the curtain air bag
module (RH) (squib).
TROUBLESHOOTING HITS
	- Damaged wiring harnesses or connectors
- Short to the power supply in the curtain air bag
	module (RH) (squib) harness
- Malfunction of the SRS-ECU
DIAGNOSIS
Required Special Tools:
	- MB991958: Scan Tool (M.U.T.-III Sub Assembly)
		- MB991824: Vehicle Communication Interface (V.C.I.)
- MB991827: M.U.T.-III USB Cable
- MB991910: M.U.T.-III Main Harness A (Vehicles with
		CAN Communication System)
 
- MB991865: Dummy resistor
- MB991866: Resister harness
STEP 1. Using scan tool MB991958, diagnose the CAN bus
line.
CAUTION
To prevent damage to scan tool MB991958, always turn the
ignition switch to the "LOCK" (OFF) position before connecting
or disconnecting scan tool MB991958.

	- Connect scan tool MB991958. Refer to "How to connect the
	scan tool".
- Turn the ignition switch to the "ON" position.
- Diagnose the CAN bus line.
- Turn the ignition switch to the "LOCK" (OFF) position.
Q: Is the CAN bus line found to be normal?
YES : Go to Step 2.
NO : Repair the CAN bus line (Refer to GROUP 54C,
Diagnosis).
STEP 2. Recheck for diagnostic trouble code.
Check again if the DTC is set.

	- Erase the DTC.
- Turn the ignition switch to "ON" position.
- Check if the DTC is set.
- Turn the ignition switch to the "LOCK" (OFF) position.
Q: Is the DTC set?
YES : Go to Step 3.
NO : There is an intermittent malfunction such as poor
engaged connector(s) or open circuit (Refer to
GROUP 00, How to Use Troubleshooting/Inspection
Service Points − How to Cope with Intermittent
Malfunctions).
STEP 3. Check by dummy resistor connection. (Using scan
tool MB991958, read the diagnostic trouble code.)

	- Disconnect the negative battery terminal.
- Disconnect the D-08 intermediate connector, unlock the
	connector by sliding the locking button to the direction of the
	arrow as shown in the figure, and then disconnect the
	connector.
- Connect special tool MB991865 to special tool MB991866.

CAUTION
Do not insert a probe into the terminal from its front side
directly, as the connector contact pressure may be weakened.
	- Insert the probe of resistor harness, to which the dummy
	resistor is installed, from the back of D-08 intermediate
	connector (floor harness side).
- Connect the negative battery terminal.
- After erasing the diagnostic trouble code memory, check the
	diagnostic trouble code again.
- Disconnect the negative battery terminal.
Q: Is DTC B1B21 set?
YES : Go to Step 4.
NO : Go to Step 5.
STEP 4. Voltage measurement at the C-27 SRS-ECU
connector.

	- Disconnect the negative battery terminal.
- While pushing the part "A" indicated in the figure of the
	harness side connector, turn the lock lever to the direction
	of the arrow to release the lock lever, and disconnect the
	C-27 SRS-ECU connector.
DANGER
To prevent the air bag from deploying unintentionally,
disconnect the intermediate connector D-08 to short
the squib circuit.

	- Disconnect the D-08 intermediate connector, unlock the
	connector by sliding the locking button to the direction of the
	arrow as shown in the figure, and then disconnect the
	connector.
CAUTION
The short spring may not be released due to the insufficient
insertion. Therefore, insert the insulator for 4 mm (0.6
inch) or more.

	- Insert a cable tie [3 mm (0.12 inch) wide, 0.5 mm (0.02 inch)
	thick] between terminal 39, 40 and the short spring to
	release the short spring.
- Connect the negative battery terminal.
- Ignition switch: ON

	- Measure the voltage between the C-27 wiring harness side
	connector terminal No. 39, 40 and body ground.
	Voltage should measure 1 volt or less. 
Q: Is the measured voltage within the specified range?
YES : Go to Step 6.
NO : Repair the wiring harness.
STEP 5. Voltage measurement at the D-08 intermediate
connector.

	- Disconnect the negative battery terminal.
DANGER
To prevent the air bag from deploying unintentionally,
disconnect the curtain air bag module connector
D-104 to short the squib circuit.
	- Disconnect curtain air bag module (RH) D-104. Use a
	flat-tipped screwdriver to unlock the locking button at the
	harness side connector by withdrawing it toward you in two
	stages, and then disconnect the connector.

	- Disconnect the D-08 intermediate connector, unlock the
	connector by sliding the locking button to the direction of the
	arrow as shown in the figure, and then disconnect the
	connector.

	- Because the short spring is installed to the D-08
	intermediate connector (curtain air bag harness side), insert
	a cable tie [3 mm (0.12 inch) wide, 0.5 mm (0.02 inch) thick]
	between terminals 1, 2 and the short spring to release the
	short spring.
- Connect the negative battery terminal.
- Ignition switch: ON

CAUTION
Do not insert a probe into the terminal from its front side
directly, as the connector contact pressure may be weakened.
	- Check for continuity between the D-08 intermediate
	connector (curtain air bag harness side) terminal No. 1, 2
	and the body ground.
	Voltage should measure 1 volt or less. 
Q: Is the measured voltage within the specified range?
YES : Replace the curtain air bag module (squib).
NO : Repair the wiring harness.
STEP 6. Recheck for diagnostic trouble code.
Check again if the DTC is set.

	- Erase the DTC.
- Turn the ignition switch to the "ON" position.
- Check if the DTC is set.
- Turn the ignition switch to the "LOCK" (OFF) position.
Q: Is DTC B1B21 set?
YES : Replace SRS-ECU. 
NO : Intermittent Malfunction.
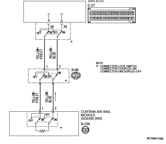
DTC B1B22: Curtain Air Bag Module (RH) (Squib) System (Squib Circuit 
Open)
Curtain Air Bag Module (Squib) (RH) Circuit


CAUTION
If DTC B1B22 is set in the SRS-ECU, always diagnose
the CAN main bus line.
CIRCUIT OPERATION
	- The SRS-ECU judges how severe a collision is
	by detecting signals from the side impact sensors
	installed on the lower side of the center pillar and
	at the quarter panel inner. If the impact is over a
	predetermined level, the SRS-ECU sends an
	ignition signal. At this time, if the side collision
	safing G-sensor is on, the SRS air bag will inflate.
- The ignition signal is input to the curtain air bag
	module (RH) to inflate the curtain air bag.
DTC SET CONDITIONS
This DTC is set if there is abnormal resistance
between the input terminals of the curtain air bag
module (RH) (squib).
TROUBLESHOOTING HITS
	- Open circuit in the curtain air bag module (RH)
	(squib) circuit
- Improper connector contact
- Malfunction of the SRS-ECU
DIAGNOSIS
Required Special Tools:
	- MB991958: Scan Tool (M.U.T.-III Sub Assembly)
		- MB991824: Vehicle Communication Interface (V.C.I.)
- MB991827: M.U.T.-III USB Cable
- MB991910: M.U.T.-III Main Harness A (Vehicles with
		CAN Communication System)
 
- MB991865: Dummy resistor
- MB991866: Resister harness
- MB991884: Resister harness
STEP 1. Using scan tool MB991958, diagnose the CAN bus
line.
CAUTION
To prevent damage to scan tool MB991958, always turn the
ignition switch to the "LOCK" (OFF) position before connecting
or disconnecting scan tool MB991958.

	- Connect scan tool MB991958. Refer to "How to connect the
	scan tool".
- Turn the ignition switch to the "ON" position.
- Diagnose the CAN bus line.
- Turn the ignition switch to the "LOCK" (OFF) position.
Q: Is the CAN bus line found to be normal?
YES : Go to Step 2.
NO : Repair the CAN bus line.
STEP 2. Recheck for diagnostic trouble code.
Check again if the DTC is set.

	- Erase the DTC.
- Turn the ignition switch to "ON" position.
- Check if the DTC is set.
- Turn the ignition switch to the "LOCK" (OFF) position.
Q: Is the DTC set?
YES : Go to Step 3.
NO : There is an intermittent malfunction such as poor
engaged connector(s) or open circuit (Refer to
GROUP 00, How to Use Troubleshooting/Inspection
Service Points − How to Cope with Intermittent
Malfunctions).
STEP 3. Check by dummy resistor connection. (Using scan
tool MB991958, read the diagnostic trouble code.)

	- Disconnect the negative battery terminal.
- Disconnect the D-08 intermediate connector, unlock the
	connector by sliding the locking button to the direction of the
	arrow as shown in the figure, and then disconnect the
	connector.

	- Connect special tool MB991865 to special tool MB991866.
CAUTION
Do not insert a probe into the terminal from its front side
directly, as the connector contact pressure may be weakened.
	- Insert the probe of resistor harness, to which the dummy
	resistor is installed, from the back of D-08 intermediate
	connector (floor harness side).
- Connect the negative battery terminal.
- After erasing the diagnostic trouble code memory, check the
	diagnostic trouble code again.
- Disconnect the negative battery terminal.
Q: Is DTC B1B22 set?
YES : Go to Step 4.
NO : Go to Step 5.
STEP 4. Resistance measurement at the C-27 SRS-ECU
connector and the D-08 intermediate connector.

	- Disconnect the negative battery terminal.
- While pushing the part "A" indicated in the figure of the
	harness side connector, turn the lock lever to the direction
	of the arrow to release the lock lever, and disconnect the
	C-27 SRS-ECU connector.

DANGER
To prevent the air bag from deploying unintentionally,
disconnect the intermediate connector D-08 to short
the squib circuit.
	- Disconnect the D-08 intermediate connector, unlock the
	connector by sliding the locking button to the direction of the
	arrow as shown in the figure, and then disconnect the
	connector.

CAUTION
The short spring may not be released due to the insufficient
insertion. Therefore, insert the insulator for 4 mm (0.6
inch) or more.
	- Insert a cable tie [3 mm (0.12 inch) wide, 0.5 mm (0.02 inch)
	thick] between terminal 39, 40 and the short spring to
	release the short spring.

CAUTION
Do not insert a probe into the terminal from D-08 intermediate
connector front side directly, as the connector contact
pressure may be weakened.
	- Check for continuity between the following terminals. It
	should be less than 2 ohms.
	- SRS-ECU connector C-27 (terminal No.39) and the
	intermediate connector D-08 (terminal No.2)
- SRS-ECU connector C-27 (terminal No.40) and the
	intermediate connector D-08 (terminal No.1)
Q: Does continuity exist?
YES : Go to Step 6.
NO : Repair the wiring harness between the C-27 harness
side connector terminal No. 39, 40 and the D-08
intermediate connector (floor harness side) terminal
No. 2, 1.
STEP 5. Resistance measurement at the D-08 intermediate
connector terminal No. 1, 2 and the D-104 curtain air bag
module harness side connector terminal No. 1, 2.

	- Disconnect the negative battery terminal.
DANGER
To prevent the air bag from deploying unintentionally,
disconnect the curtain air bag module connector
D-104 to short the squib circuit.
	- Disconnect curtain air bag module (RH) D-104. Use a
	flat-tipped screwdriver to unlock the locking button at the
	harness side connector by withdrawing it toward you in two
	stages, and then disconnect the connector.

	- Disconnect the D-08 intermediate connector, unlock the
	connector by sliding the locking button to the direction of the
	arrow as shown in the figure, and then disconnect the
	connector.

	- Because the short spring is installed to the D-08
	intermediate connector (curtain air bag harness side), insert
	a cable tie [3 mm (0.12 inch) wide, 0.5 mm (0.02 inch) thick]
	between terminals 1, 2 and the short spring to release the
	short spring.

	- Connect special tool MB991884 to the removed D-104
	harness side connector.

CAUTION
Do not insert a probe into the terminal from D-08 intermediate
connector front side directly, as the connector contact
pressure may be weakened.
	- Check for continuity between the following terminals.
	It should be less than 2 ohms. 
	- Intermediate connector D-08 (terminal No.1) and resistor
	harness connector terminal No.2)
- Intermediate connector D-08 (terminal No.2) and resistor
	harness connector terminal No.1)
Q: Is the check result normal?
YES : Replace the curtain air bag module (squib).
NO : Repair the wiring harness.
STEP 6. Recheck for diagnostic trouble code.
Check again if the DTC is set.

	- Erase the DTC.
- Turn the ignition switch to the "ON" position.
- Check if the DTC is set.
- Turn the ignition switch to the "LOCK" (OFF) position.
Q: Is DTC B1B22 set?
YES : Replace SRS-ECU. 
NO : Intermittent Malfunction (Refer to GROUP 00, How to
Use Troubleshooting/Inspection Service Points − How
to Cope with Intermittent Malfunction).
DTC B1B23: Curtain Air Bag Module (RH) (Squib) System (Short Circuit 
between Squib Circuit
Terminals)
Curtain Air Bag Module (Squib) (RH) Circuit


CAUTION
If DTC B1B23 is set in the SRS-ECU, always diagnose
the CAN main bus line.
CIRCUIT OPERATION
	- The SRS-ECU judges how severe a collision is
	by detecting signals from the side impact sensors
	installed on the lower side of the center pillar and
	at the quarter panel inner. If the impact is over a
	predetermined level, the SRS-ECU sends an
	ignition signal. At this time, if the side collision
	safing G-sensor is on, the SRS air bag will inflate.
- The ignition signal is input to the curtain air bag
	module (RH) to inflate the curtain air bag.
DTC SET CONDITIONS
This DTC is set if there is abnormal resistance
between the input terminals of the curtain air bag
module (RH) (squib).
TROUBLESHOOTING HITS
	- Improper engaged connector or defective short
	spring*
- Short circuit between the curtain air bag module
	(RH) (squib) circuit terminals
- Damaged connector(s)
- Malfunction of the SRS-ECU
NOTE: *: The squib circuit connectors integrate a
"short" spring (which prevents the air bag from
deploying unintentionally due to static electricity by
shorting the positive wire to the ground wire in the
squib circuit when the connectors are disconnected). Therefore, if connector 
C-27,
D-08 or D-104 is damaged or improperly engaged,
the short spring may not be released when the connector
is connected.
DIAGNOSIS
Required Special Tools:
	- MB991958: Scan Tool (M.U.T.-III Sub Assembly)
		- MB991824: Vehicle Communication Interface (V.C.I.)
- MB991827: M.U.T.-III USB Cable
- MB991910: M.U.T.-III Main Harness A (Vehicles with
		CAN Communication System)
 
- MB991865: Dummy resistor
- MB991866: Resister harness
STEP 1. Using scan tool MB991958, diagnose the CAN bus
line.
CAUTION
To prevent damage to scan tool MB991958, always turn the
ignition switch to the "LOCK" (OFF) position before connecting
or disconnecting scan tool MB991958.

	- Connect scan tool MB991958. Refer to "How to connect the
	scan tool".
- Turn the ignition switch to the "ON" position.
- Diagnose the CAN bus line.
- Turn the ignition switch to the "LOCK" (OFF) position.
Q: Is the CAN bus line found to be normal?
YES : Go to Step 2.
NO : Repair the CAN bus line.
STEP 2. Recheck for diagnostic trouble code.
Check again if the DTC is set.

	- Erase the DTC.
- Turn the ignition switch to "ON" position.
- Check if the DTC is set.
- Turn the ignition switch to the "LOCK" (OFF) position.
Q: Is the DTC set?
YES : Go to Step 3.
NO : There is an intermittent malfunction such as poor
engaged connector(s) or open circuit (Refer to
GROUP 00, How to Use Troubleshooting/Inspection
Service Points − How to Cope with Intermittent
Malfunctions).
STEP 3. Check SRS-ECU connector C-27, curtain air bag
module (RH) connector D-104 and intermediate connector
D-08. (Using scan tool MB991958, read the diagnostic
trouble code.)

	- Disconnect the negative battery terminal.
- While pushing the part "A" indicated in the figure of the
	harness side connector, turn the lock lever to the direction
	of the arrow to release the lock lever, and disconnect the
	C-27 SRS-ECU connector. Then connect the connector.

	- Disconnect the D-104 connector, and then reconnect it. Use
	a flat-tipped (−) screwdriver to pull out the D-104 curtain air
	bag module harness side connector locking button toward
	the arrow direction, release the lock, and then disconnect
	the connector.

	- Disconnect the D-08 connector's, and then reconnect them.
	Unlock the connector by sliding the locking button to the
	direction of the arrow as shown in the figure, and then
	disconnect the connector. 
- Connect the negative battery terminal.
- After erasing the diagnostic trouble code memory, check the
	diagnostic trouble code again.
- Disconnect the negative battery terminal.
Q: Is DTC B1B23 set?
YES : Go to Step 4.
NO : Intermittent Malfunction (Refer to GROUP 00, How to
Use Troubleshooting/Inspection Service Points − How
to Cope with Intermittent Malfunction).
STEP 4. Check by dummy resistor connection. (Using scan
tool MB991958, read the diagnostic trouble code.)

	- Disconnect the negative battery terminal.
- Disconnect the D-08 intermediate connector, unlock the
	connector by sliding the locking button to the direction of the
	arrow as shown in the figure, and then disconnect the
	connector.

	- Connect special tool MB991865 to special tool MB991866.
CAUTION
Do not insert a probe into the terminal from its front side
directly, as the connector contact pressure may be weakened.
	- Insert the probe of resistor harness, to which the dummy
	resistor is installed, from the back of D-08 intermediate
	connector (floor harness side).
- Connect the negative battery terminal.
- After erasing the diagnostic trouble code memory, check the
	diagnostic trouble code again.
Q: Is DTC B1B23 set?
YES : Go to Step 5.
NO : Go to Step 6.
STEP 5. Resistance measurement at the C-27 SRS-ECU
connector.

	- Disconnect the negative battery terminal.
- While pushing the part "A" indicated in the figure of the
	harness side connector, turn the lock lever to the direction
	of the arrow to release the lock lever, and disconnect the
	C-27 SRS-ECU connector.

DANGER
To prevent the air bag from deploying unintentionally,
disconnect the intermediate connector D-08 to short
the squib circuit.
	- Disconnect the D-08 intermediate connector, unlock the
	connector by sliding the locking button to the direction of the
	arrow as shown in the figure, and then disconnect the
	connector.

CAUTION
The short spring may not be released due to the insufficient
insertion. Therefore, inse
READ NEXT:
	
   DTC B1B54: Seat Belt Buckle Switch (RH) Circuit (Ground Side) Shorted
DTC B1B55: Seat Belt Buckle Switch (RH) Circuit (Power Supply Side) Shorted
DTC B1B56: Seat Belt Buckle Switch (RH) Circuit Open
   
   
 
	
   DTC B1C27: Side-air bag Module (LH) (Squib) System (Shorted to Squib 
Circuit Ground)
Side-Airbag Module (Squib) (LH) Circuit
CAUTION
If DTC B1C27 is set in the SRS-ECU, always diagnose
the CAN bus 
   
   
 
	
   DTC B1C33: Driver's Lap Pre-tensioner (Squib) System (Shorted to Squib 
Circuit Ground)
Driver's Lap pre-tensioner (Squib) Circuit
CAUTION
If DTC B1C33 is set in the SRS-ECU, always diagnose
the CAN
   
   
 
   SEE MORE:
	
   Headlamps
NOTE:
● Do not leave the lights on for a long time while the engine is stationary (not 
running). A rundown battery could result.
● When it rains, or when the vehicle has been washed, the inside of the lens 
sometimes becomes foggy, but this does not indicate a functional 
   
   
 
	
   The following information is included on the multi-information display: warnings, 
odometer/tripmeter, service reminders, engine coolant temperature, fuel remaining, 
outside temperature, 4WD operation status, average and momentary fuel consumption, 
driving range, average speed and meter illumin